รุ่นที่นำจำหน่าย
- Fisher 627
สอบถามข้อมูลเพิ่มเติมติดต่อฝ่ายขาย

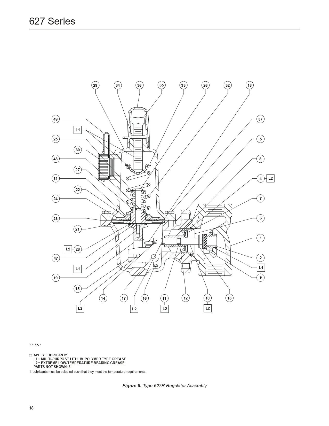
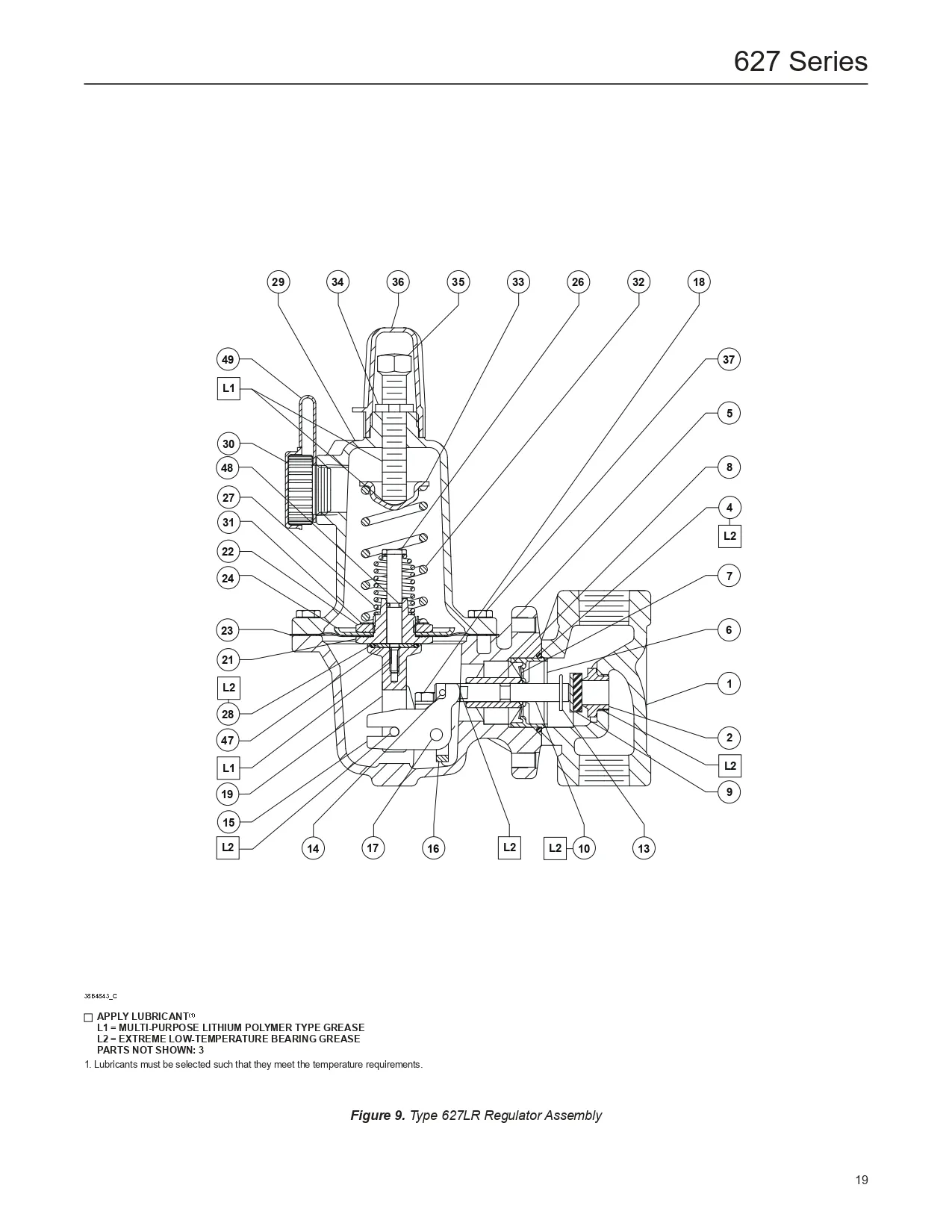
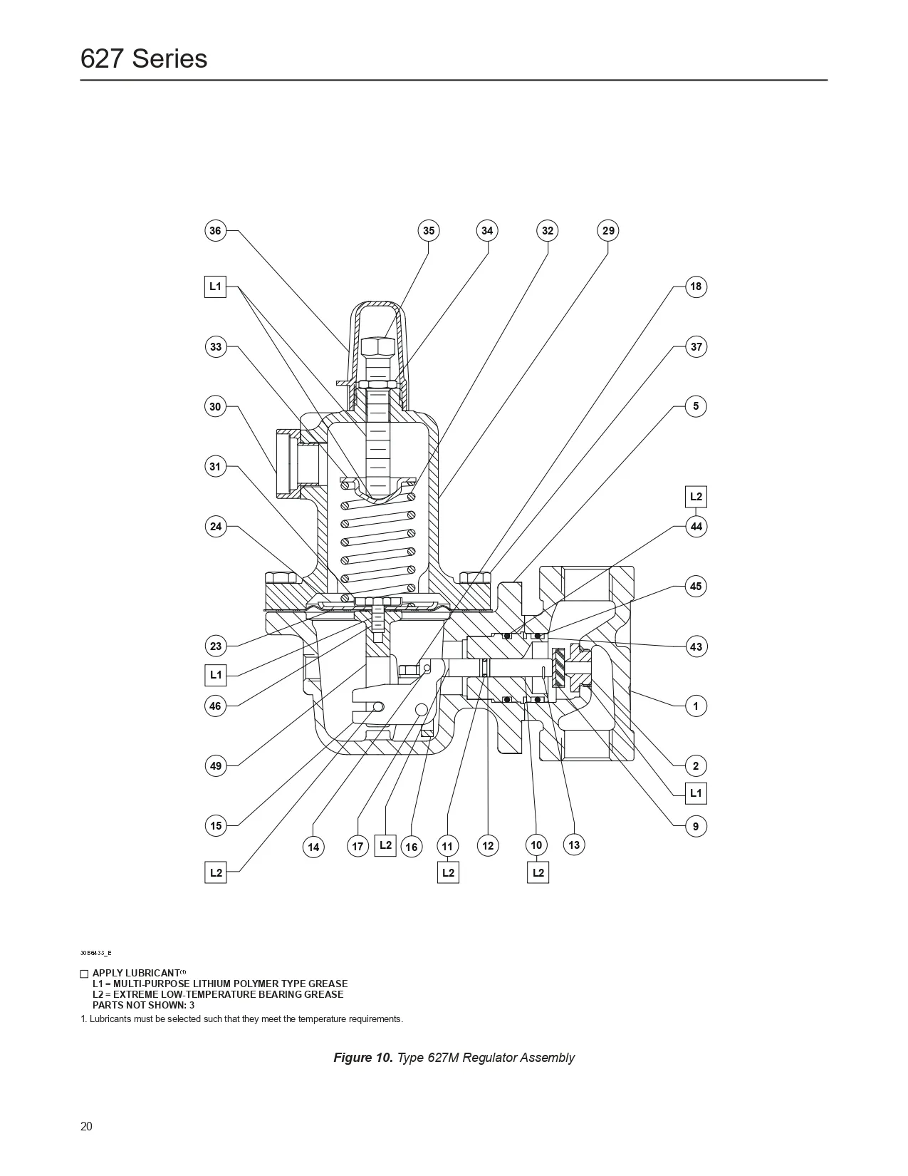
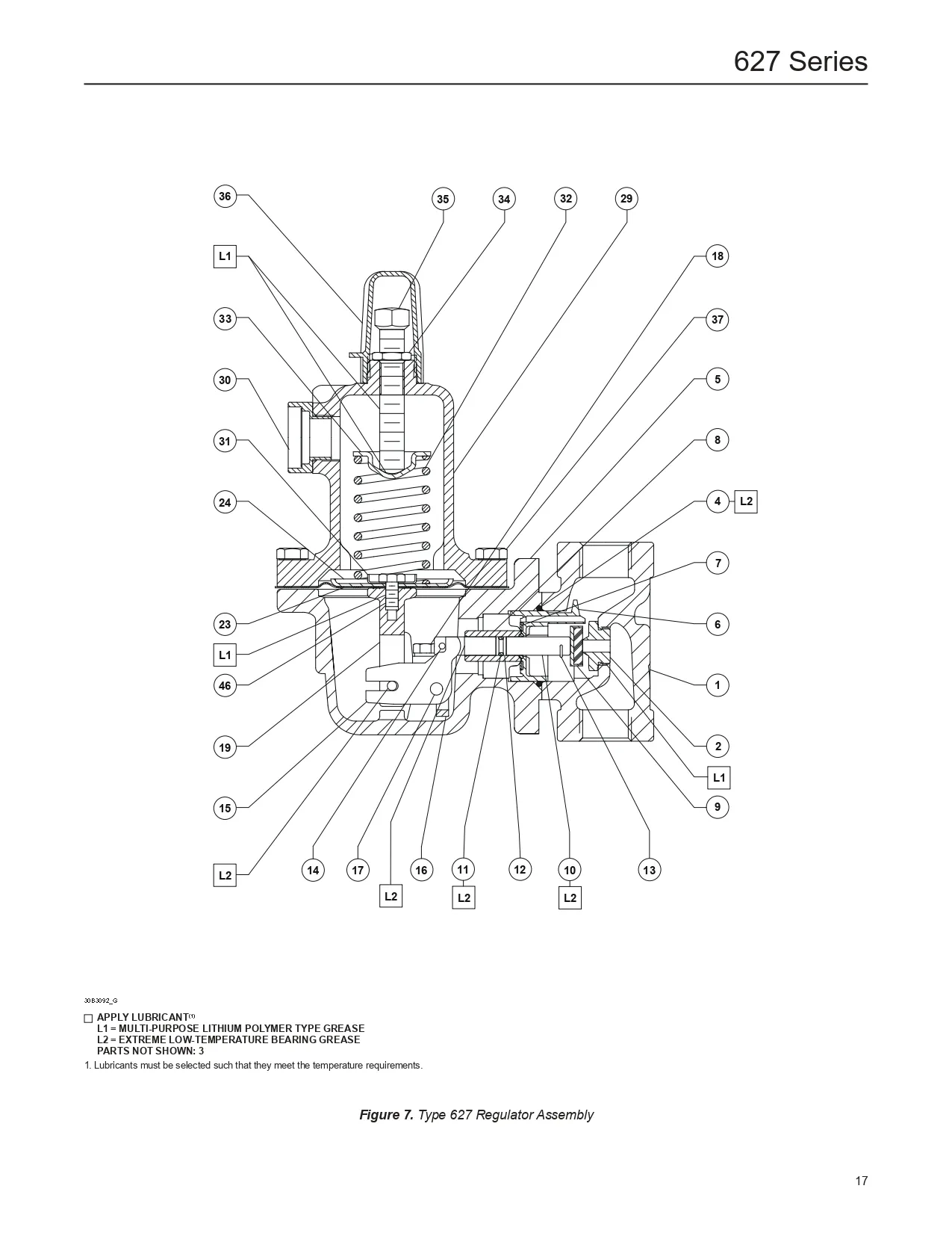
Fisher 627 Series เป็นชุด วาล์วควบคุมแรงดัน (Pressure Reducing Regulators) แบบ direct-operated (ทำงานโดยตรง) ที่ออกแบบมาเพื่อควบคุมแรงดันการไหลของก๊าซและอากาศในระบบแรงดันต่ำถึงสูง ใช้ในระบบอุตสาหกรรมและพาณิชย์ทั่วไป โดยเฉพาะงานที่ต้องการแรงดันคงที่หลังจากแรงดันสูงเข้าสู่ระบบต่อไป เช่น ก๊าซธรรมชาติ อากาศ หรือก๊าซอื่นๆ ที่เข้ากันได้กับดีไซน์ของวาล์ว
Fisher 627 Series คือชุด regulator ที่ควบคุมแรงดันให้คงที่หลังจากแรงดันสูงเข้าสู่ระบบ
เหมาะกับงานก๊าซ/อากาศในระบบอุตสาหกรรมหรือเชิงพาณิชย์ทั่วไป
มีตัวเลือกหลายแบบให้เหมาะกับการใช้งานที่ต้องการความปลอดภัยและความเสถียรสูง