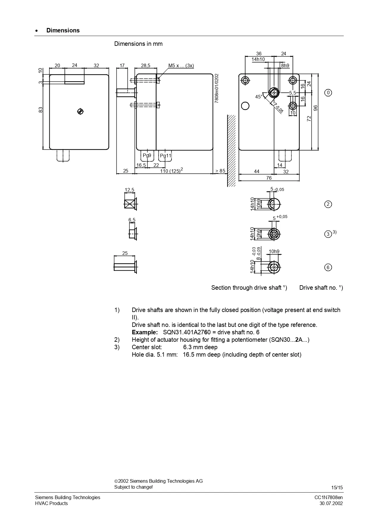
Siemens Actuators – SQN3 Series

Siemens Actuators – SQN3 Series ซีรีส์ SQN3 เป็น small positioning actuators ที่ออกแบบมาสำหรับงาน combustion control systems โดยเฉพาะ ใช้ควบคุมการเปิด–ปิดและปรับตำแหน่งของ วาล์วก๊าซ, วาล์วอากาศ, หรือ dampers ในระบบหัวเผา จุดเด่นคือ ขนาดกะทัดรัด, น้ำหนักเบา, และแรงบิดต่ำ–ปานกลาง เหมาะสำหรับ boilers และ burners ขนาดเล็กถึงกลาง ที่ต้องการความแม่นยำในการควบคุมเชื้อเพลิง–อากาศ

ฟังก์ชันการทำงาน

  • Air-Gas Ratio Control: ปรับตำแหน่งวาล์วก๊าซและวาล์วอากาศให้สัมพันธ์กัน
  • Precise Positioning: ควบคุมการหมุนด้วยสัญญาณ analog/digital → แม่นยำสูง
  • Compact Design: ขนาดเล็ก น้ำหนักเบา → ติดตั้งง่ายในพื้นที่จำกัด
  • Integration: ใช้ร่วมกับ Siemens controllers เช่น LMV3, LMV5
  • Safety: ปิด–เปิดตามสัญญาณควบคุม → ลดความเสี่ยงการจ่ายเชื้อเพลิงผิดพลาด

การใช้งานที่เหมาะสม

  • Boilers (หม้อไอน้ำขนาดเล็ก–กลาง) → ควบคุมการผสมเชื้อเพลิง–อากาศ
  • Industrial Burners (หัวเผาอุตสาหกรรม) → ใช้กับวาล์วก๊าซและ damper ขนาดเล็ก
  • Process Heating Systems → ต้องการการควบคุมอัตราส่วนการเผาไหม้ที่แม่นยำ
  • Burner Systems → ใช้กับหัวเผาเชื้อเพลิงก๊าซ/น้ำมัน

จุดเด่น

  • ขนาดกะทัดรัด น้ำหนักเบา → เหมาะกับพื้นที่จำกัด
  • แรงบิดต่ำ–ปานกลาง (~1.5–3 Nm) → ใช้งานกับวาล์วและ damper ขนาดเล็ก–กลาง
  • ควบคุมตำแหน่งแม่นยำ ด้วยสัญญาณ 4–20 mA หรือ 0–10 V
  • มาตรฐาน CE, EN → เชื่อถือได้ด้านความปลอดภัย
  • ใช้งานร่วมกับ Siemens LMV controllers ได้อย่างลงตัว