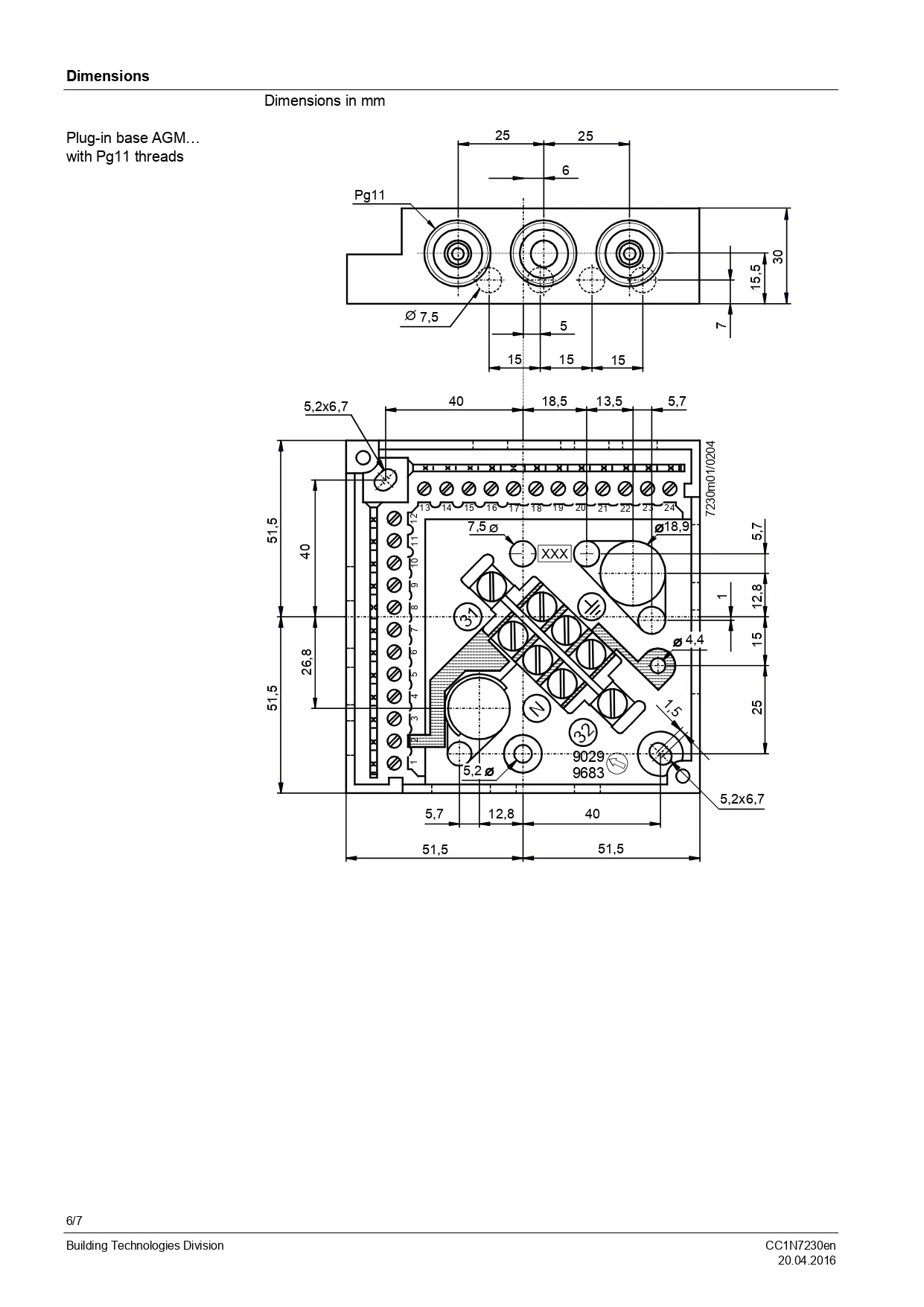
Siemens Plug-in Base(Socket) – AGM410490550

Siemens Plug-in Base (Socket) – AGM410490550 รุ่น AGM410490550 เป็น plug-in base (socket) ที่ออกแบบมาสำหรับการติดตั้งและเชื่อมต่อ Siemens flame detectors เข้ากับ burner control units จุดประสงค์หลักคือเพื่อให้การเชื่อมต่อไฟฟ้าและการติดตั้งเป็นไปอย่าง ปลอดภัย, สะดวก และง่ายต่อการบำรุงรักษา

ฟังก์ชันการทำงาน

  • Mounting Base: เป็น socket สำหรับติดตั้ง flame detector
  • Electrical Connection: มี terminal block สำหรับเชื่อมต่อสายไฟจาก flame detector ไปยัง burner control
  • Safety: ป้องกันการเชื่อมต่อผิดพลาดและเพิ่มความทนทาน
  • Maintenance: ถอด–เปลี่ยน flame detector ได้ง่ายโดยไม่ต้องเดินสายใหม่

 การใช้งานที่เหมาะสม

  • Boilers (หม้อไอน้ำ) → ใช้ร่วมกับ flame detector ในระบบตรวจสอบเปลวไฟ
  • Industrial Furnaces (เตาอุตสาหกรรม) → ใช้ในระบบที่ต้องการ flame monitoring ที่แม่นยำ
  • Process Heating Systems → ต้องการการตรวจสอบเปลวไฟที่ปลอดภัย
  • Burner Systems → ใช้งานร่วมกับ Siemens flame detectors หลายรุ่น

จุดเด่น

  • ติดตั้งง่าย → ลดเวลาในการประกอบและบำรุงรักษา
  • เชื่อมต่อปลอดภัย → ลดความเสี่ยงการเดินสายผิด
  • รองรับ flame detectors หลายรุ่น (เช่น QRA series)
  • มาตรฐาน CE, EN → เชื่อถือได้ด้านความปลอดภัย
  • เหมาะกับงานอุตสาหกรรมหนัก → boilers, furnaces, process heating