รุ่นที่นำจำหน่าย
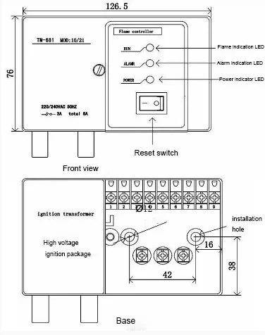
- TM-681 MOD.10/21
สอบถามข้อมูลเพิ่มเติมติดต่อฝ่ายขาย

Twoan Flame Controller – TM Sensor เป็นอุปกรณ์ควบคุมหัวเผา (Burner Control) ที่ทำหน้าที่ ตรวจจับเปลวไฟ, ควบคุมการจุดไฟ และปิดระบบทันทีเมื่อ flame failure เหมาะสำหรับ Boilers, Furnaces, Kilns และ Industrial Heating Systems โดยรองรับการตรวจจับด้วย Flame Rod, Ignition Rod หรือ UV Sensor และมี Safety Time (TSA) ~5 วินาที สำหรับหัวเผากำลัง ≥ 350 kW